商品生产者社会的第一个世界性法律是()。
A、楔行文字法
B、十二表法
C、汉穆拉比法典
D、罗马法
E、摩奴法典
对价
林伯渠评价辛亥革命时说:“对于许多未经过帝王之治的青年,辛亥革命的政治意义是常被过低估计的。”这里所说的政治意义应指辛亥革命()
A、建立了资产阶级共和国B、发展了资本主义经济
C、结束了君主专制D、解放了思想
印度法系
邦联条例
刀具半径补偿执行过程有哪三步?
FANUC数控系统中,下列变量不属于局部变量的是()。
A、#110
B、#11
C、#2
D、#33
简述古印度法的渊源。
设有一半径为a的物质球面,其上任意一点的密度等于该点到此球的一条直径距离的平方,试求此球面的质量。
比较古代东西方法律。
设

其中D={(x,y)|x2+y2≤1},则( )。
A、I3>I2>I1
B、I1>I2>I3
C、I2>I1>I3
D、I3>I1>I2
指令M01的功能及生效条件是()。
A、当程序结束时,表示程序结束符
B、当“选择停止键”按下时,执行到该指令后暂停程序
C、控制换刀动作,出现T指令时有效
D、当急停时可以控制主轴停止
遵循先例原则
美国法典
二战前,日本最高的裁判机构是()
A、大理院
B、控诉院
C、最高法院
D、大审院
Ca2+、Mg2+共存时,在()条件下,不加掩蔽剂可用EDTA滴定Ca2+。
A.pH=5B.pH=10C.pH=12D.pH=2
螺纹加工的进刀方式有()
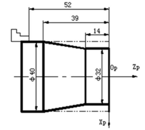
编制粗车外圆及的程序,每次切削深度ap≤2mm,工件外形如图所示。
最早的一部国家商法典产生于()
A、法国
B、西班牙
C、意大利
D、丹麦
坚持以人为本,最终是为了实现人的()发展。
A自由
B个性
C充分
D全面