德国统一前,各邦各有不同的法律,但都继承了罗马法的传统,保存了日尔曼法的特点,兼受教会法的影响。()
A、对
B、错
信托制
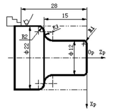
编制图示零件头部的粗加工程序(切削余量0.5mm)。
执行程序段G98G82X6.0Y12.5Z-6.5R2.0P800F80.0后,成形孔可为台阶孔。
A、对
B、错
中国人民银行对商业银行欠缴存款的罚款记入营业外支出。()
数控机床坐标系各进给轴运动的正方向总是假定为怎样的方向?
异端裁判所
根据《柳叶刀》发表的一篇2002年的论文,下列属于中国自杀率表现出的独特特征有()
A、富人的自杀率高于穷人。
B、农村的自杀率是城市的3倍,即全国90%的自杀发生在农村。
C、中国62%的自杀者是服用农药或鼠药。
D、中国自杀者90%以上患有精神疾病或有精神障碍。
人民法院、人民检察院或者公安机关对于报案、控告、举报和自首的材料,进行立案的条件有()
A、证据确凿
B、需要追究刑事责任
C、有明确的犯罪嫌疑人
D、有证据证明有犯罪事实
E、证据充分
Windows 98中,下列不能进行文件夹重命名操作的是()
A、 用“资源管理器”“文件”下拉菜单中的“重命名”命令
B、 选定文件后再单击文件名一次
C、 鼠标右键单击文件,在弹出的快捷菜单中选择“重命名”命令
D、 选择文件后再按F4
简述伊斯兰债法的特点。
按日耳曼法,具有社员身分是占有公社土地的前提。
A、对
B、错
在轮廓控制中,为了保证一定的精度和编程方便,通常需要有刀具()和()补偿功能。
“感觉只解决现象问题,理论才解决本质问题”,这句话说明()。
A.感性认识是微不足道的
B.感性认识有待于发展到理性认识
C.理性认识是唯一可靠的
D.理性认识有待于深化为感性认识
14世纪意大利评论法学派的代表是()
A、伊尔纳留斯
B、阿佐
C、巴尔多鲁
D、阿库修斯
在编写圆弧插补程序时,若用半径R指定圆心位置,不能描述()。
下列()是发放中长期贷款的原则。
A.本息分别核算
B.商业贷款与政策性贷款分别核算
C.新客户贷款与老客户贷款分别核算
D.应计贷款和非应计贷款分别核算
简述近代法国宪法的特点。
古代楔形文字法典主要有()等。
A、苏美尔法典
B、伊尼法典
C、尤列克法典
D、汉穆拉比法典
计算下列三重积分:
(1)
,其中Ω:x2+y2+z2≤1。
(2)
,其中Ω为由
,
,y=0,z=0所围立体。
(3)
,其中Ω为由
,x2+y2=1,z=0所围立体。
(4)
,其中Ω为由z=xy,x=y,x=1,z=0所围立体。